Three Passages Fluid Electricity Slip Ring (MAPH300S Series)
Category: MOFLON 360掳 ROTATING SLIP RINGS
Specifications
Details
MAPH300S is 3 passages Pneumatic /Hydraulic + 2~96rings Electrical Slip Ring.
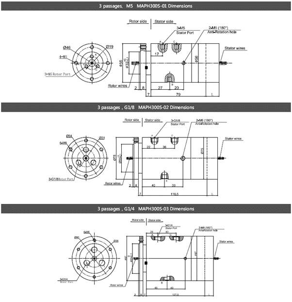
Connection size including: M5,G1/8", G1/4", G3/8",G1/2" and bigger on request.
Electrical rings including power wire, signal wire,Ethernet, USB, Industrial BUS, control Net, and all kinds of sensitive signal, etc.
Normally use flange for installation, hollow shaft intallation on request.
Media Types: Air/Gas,hydrogen,Nitrogen,Chemical, Water,Oil,etc.
Model :
.png)
Features :
- Transmiting gas,liquid,power and signal etc. when 360 rotating
- Support 1/2/3/4/5/6/8/10/12/16 Pneumatic/Hydraulic passages.
- Can combine 1~128 wires electrical power/signal.
- Connection size :M5",G1/8",G1/4",G3/8",G1/2",G3/4",G1"
- Pipe size for liquid&gad can be specified.
- Media type: air/gas,chemical,DI/Tap water, oil .
- High speed and high voltage can be customized .
Dimension :

.png)
Specifications :
.png)
View more about Three Passages Fluid Electricity Slip Ring (MAPH300S Series) on main site
